產品搜索

產品分類

相關產品

loading

分享到:
facebook sharing button
twitter sharing button
line sharing button
wechat sharing button
linkedin sharing button
pinterest sharing button
sharethis sharing button

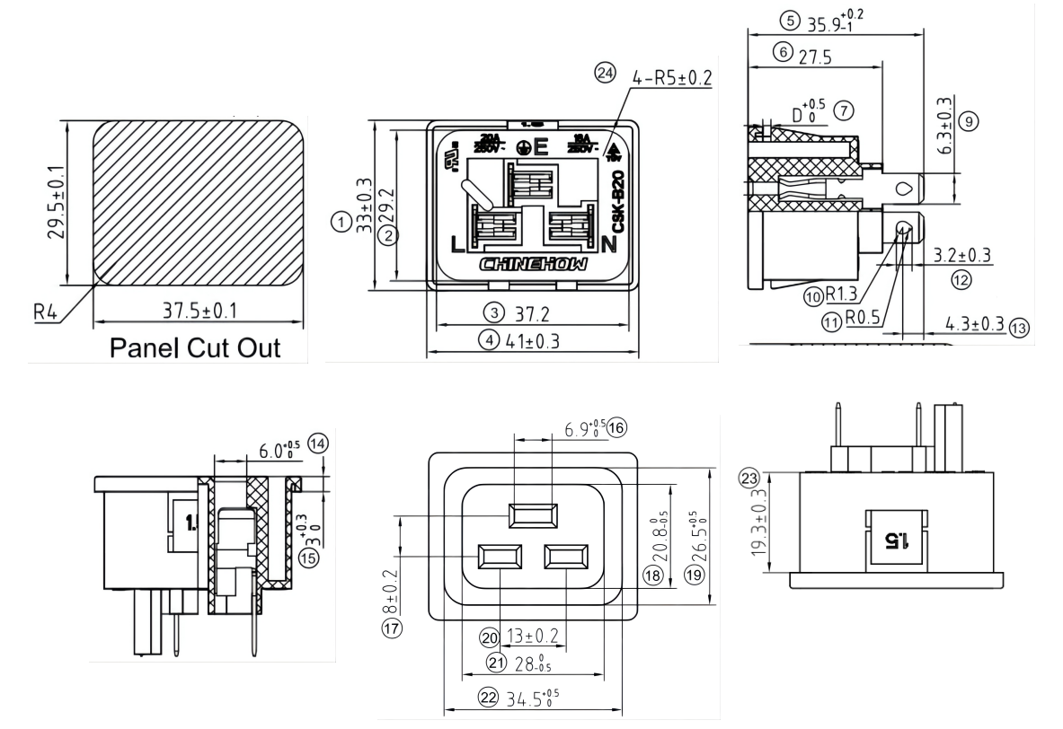
CSK-B20-A5

狀態:
數量:

電氣規格:

1)tüv

當前評分:16A

電壓等級:250V AC

2)UL認可(NA):

當前評分:20A

電壓等級:250V AC

間距:


代碼

xx

D

1

1.2

2

1.5

3

1.7

4

2.0

5

2.5

終端塊(昏暗)

6.3

4.8

4.0

2.8

6.3*

*用於接線連接的水滴孔。


69


上一條: 
下一條: 

產品分類

快速鏈接

聯繫我們

泥翔北路127號,
浙江省溫州市甌江口產業集聚區 325000

+86-577-86798882

sales@chinehow.com

info@chinehow.com

發郵件給我們
版權 2021 浙江中億豪科技有限公司  ICP備15028283號-1 保留所有權利| 站點地圖| Leadong